D671X 气动软密封蝶阀
气动软密封蝶阀 产品概述
气动软密封蝶阀亦属中线软密封蝶阀,是管线优先选用的常规蝶阀,具有结构简洁,流阻系数小,流量特性趋于直线,不会滞留杂物。且重量轻,安装方便,驱动扭矩较小的优点。气动软密封蝶阀既可作切断介质用,又可作调节介质的流量用。阀体密封圈分丁晴橡胶、四氟橡胶,泄露量可达零。选用不同材料的零件,配用不同材料的密封圈,可适应不同的介质、工况,使成本与性能达到效果。气动软密封蝶阀适用于温度≤120℃或≤150℃,公称压力≤1.6MPa给排水、污水、食品、供暖、燃气、船舶、水电、冶金、能源系统以及轻纺等行业,特别适用于泄露量要求较高、有腐蚀性的场合,作调节流量和截流介质。
气动软密封蝶阀 主要特点
1、小巧轻便,容易拆装及维修,并可在任意位置安装。
2、结构简单、紧凑,操作扭矩小,90°回转开启迅速。
3、流量特性为直线,调节性能好。
4、蝶板与阀杆的连接采用无销钉结构,克服了有可能的内泄漏点。
5、蝶板外圆采用球面造型,提高了密封性能及延长了阀门的使用寿命,带压启闭5万次以上仍保持零泄漏。
6、密封件可更换,且密封可靠达到双向密封。
7、蝶板可根据用户要求喷涂覆层,如尼龙或聚四氟类。
8、气动软密封蝶阀可设计成法兰连接和对夹连接。
气动软密封蝶阀 主要技术参数
阀体
|
公称通径
|
DN50~1000mm
|
|
公称压力
|
PN1.0、1.6 MPa
|
|
法兰标准
|
JIS B220、JB/T79、ANSI B16.5-1981、GB/T9113、HG20594-97、HG20618-97等
|
|
连接形式
|
法兰式、对夹式
|
|
阀盖形式
|
一体式
|
|
压盖型式
|
压盖压紧式
|
|
密封填料
|
V型聚四氟乙烯填料、柔性石墨填料
|
阀内件
执行机构
|
执行器型号
|
GT系列、ST系列、AT系列、AW系列、系列单双作用气动执行器
|
|
供气压力
|
400~700KPa
|
|
气源接口
|
G1/4"、G1/8"、G3/8"、G1/2"
|
|
环境温度
|
-30~+70℃
|
|
作用形式
|
单作用执行机构:气关式(B)--失气时阀位开(FO);气开式(K)--失气时阀位关(FC)
|
|
双作用执行机构:气关式(B)--失气时阀位保持(FL);气开式(K)-- 失气时阀位保持(FL)
|
|
可配附件
|
定位器、电磁阀、空气过滤减压器、保位阀、行程开关、阀位传送器、手轮机构等
|
注:如需详细执行器参数,请进入气动执行器页面进行查阅。
气动软密封蝶阀 主要内部结构图
气动软密封蝶阀 主要零件材料
|
1
|
底座
|
HT200、WCB、CF3、CF3M、CF8、CF8M
|
1
|
阀体
|
HT200、WCB、CF3、CF3M、CF8、CF8M
|
|
2
|
下轴套
|
铜合金、304、316
|
2
|
密封圈
|
NBR丁晴橡胶、PTFE、尼龙
|
|
3
|
下阀轴
|
2Cr13、304、316、316L
|
3
|
下轴套
|
铜合金、304、316
|
|
4
|
阀体
|
HT200、WCB、CF3、CF3M、CF8、CF8M
|
4
|
阀杆
|
2Cr13、304、316、316L
|
|
5
|
密封圈
|
NBR丁晴橡胶、PTFE、尼龙
|
5
|
蝶板
|
HT200、WCB、CF3、CF3M、CF8、CF8M
|
|
6
|
压板
|
HT200、WCB、CF3、CF3M、CF8、CF8M
|
6
|
上轴套
|
铜合金、304、316
|
|
7
|
蝶板
|
HT200、WCB、CF3、CF3M、CF8、CF8M
|
7
|
填料
|
聚四氟乙烯/柔性石墨
|
|
8
|
上阀轴
|
2Cr13、304、316、316L
|
8
|
填料压套
|
25、35、304、316
|
|
9
|
上轴套
|
铜合金、304、316
|
注:在环境较苛刻场合亦可根据客户现场要求特定材质。
|
|
10
|
填料
|
聚四氟乙烯/柔性石墨
|
|
11
|
填料压套
|
HT200、WCB、CF3、CF3M、CF8、CF8M
|
气动软密封蝶阀 主要性能指标
|
回差
|
带定位器:小于全行程的2%
|
|
基本误差
|
带定位器:小于全行程的±2%
|
|
泄露量l / h
|
符合ANSI B16.104 IV级标准
|
|
可调范围R
|
50:01:00
|
气动软密封蝶阀 主要性能规范
|
公称通径DN(mm)
|
50-1800
|
|
公称压力
|
PN(MPa)
|
0.6
|
1
|
1.6
|
2.5
|
|
试验压力
|
强度试验
|
0.9
|
1.5
|
2.4
|
3.75
|
|
密封试验
|
0.66
|
1.1
|
1.76
|
2.75
|
|
低压气密试验
|
0.6
|
0.6
|
0.6
|
0.6
|
|
适用介质
|
空气、水、污水、蒸气、煤气、油品及有腐蚀性介质等
|
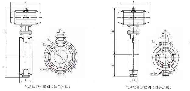
气动软密封蝶阀 主要外形及连接尺寸
|
公称通径 DN(mm)
|
50
|
65
|
80
|
100
|
125
|
150
|
200
|
250
|
300
|
350
|
400
|
450
|
500
|
600
|
700
|
800
|
900
|
1000
|
|
L
|
90
|
90
|
100
|
115
|
130
|
140
|
150
|
250
|
270
|
290
|
310
|
330
|
350
|
390
|
430
|
470
|
500
|
550
|
|
L1
|
43
|
46
|
49
|
56
|
64
|
70
|
71
|
76
|
83
|
92
|
102
|
113
|
127
|
154
|
165
|
190
|
203
|
216
|
|
H
|
法兰式
|
63
|
70
|
83
|
105
|
115
|
137
|
164
|
206
|
230
|
248
|
289
|
320
|
343
|
413
|
478
|
525
|
585
|
640
|
|
对夹式
|
63
|
70
|
83
|
105
|
115
|
137
|
164
|
206
|
230
|
248
|
289
|
320
|
343
|
413
|
478
|
525
|
585
|
640
|
|
n-φd
|
4月18日
|
4月18日
|
8月18日
|
8月18日
|
8月18日
|
8月22日
|
12月22日
|
12月26日
|
12月26日
|
16-26
|
16-30
|
20-30
|
20-33
|
20-36
|
24-36
|
24-39
|
28-39
|
28-42
|
|
H1
|
根据所配执行机构而定
|
|
A
|
根据阀门所需力矩而定,配置机型不同,外形尺寸也不相同
|
|
D
|
165
|
185
|
200
|
220
|
250
|
285
|
340
|
405
|
460
|
520
|
580
|
640
|
715
|
840
|
910
|
1025
|
1125
|
1255
|
|
D1
|
125
|
145
|
160
|
180
|
210
|
240
|
295
|
355
|
410
|
470
|
525
|
585
|
650
|
770
|
840
|
950
|
1050
|
1170
|
注:以上参数均为PN1.6MPa为准,其他压力等级请咨询公司技术部,表中尺寸为不带标准附件数据,另由于产品改进技术创新参数可能有一定变化,请咨询公司技术部门索取新数据。