气动截止阀 工作原理
气动截止阀J641W通过气缸来,利用上腔进气或者下腔进气来远距离控制阀门,操作方便、灵活。气缸使用介质:压缩空气,氮气。结构简单、制造和维护 方便;工作行程小,启闭时间短;关闭体(阀瓣)与阀座密封面采用锥面密封,关闭力小,耐冲刷,密封可靠。
气动截止阀 结构特点
1、选材考究,符合国内、外相关标准,结构合理,造型美观。
2、阀瓣、阀座密封面采用铁基合金堆焊或司太立(Stellite)钴基硬质合金堆焊而成,耐磨、耐高温、耐腐蚀、抗擦伤性能好,使用寿命长。
4、阀杆经调质及表面氮化处理,有良好的抗腐蚀性和抗擦伤性。
5、可采用各种配管法兰标准及法兰密封面型式,满足各种工程需要及用户要求。
6、阀体材料品种齐全,填料、垫片可根据实际工况或用户要求合理选配,能适用于各种压力、温度及介质工况。
7、倒密封采用螺纹连接密封座或本体堆焊奥氏体不锈钢而成,密封可靠,更换填料可在不停机情况下进行,方便快捷,不影响系统运行。
气动截止阀 应用规范
|
设计与制造
|
GB/T12235
|
|
连接端尺寸
|
结构长度
|
GB/T12221
|
|
法兰尺寸
|
JB/T79
|
|
检验与试验
|
JB/T9092
|
|
材 料
|
碳钢
|
GB/T12229
|
|
不锈钢
|
GB/T12230
|
|
合金钢
|
Q/ZB66
|
|
标 志
|
GB/T12220
|
|
供 货
|
JB/T7928
|
气动截止阀 主要零件材料及主要用途
|
阀体
|
阀盖
|
阀瓣
|
密封圈
|
阀杆
|
填料
|
适用介质
|
适用温度
|
|
(≤℃)
|
|
WCB
|
WCB+D507MO
|
D577
|
2Crl3
|
柔性石墨
|
水、油品、蒸汽
|
425
|
|
ZGlCrl8Ni9Ti
|
0Crl8Ni9Ti
|
Stellite6
|
lCrl8Ni9Ti
|
PTFE
|
硝酸类
|
200
|
|
Stellite12
|
|
ZGlCrl8Ni2Mo2Ti
|
CF8M
|
lCrl8Ni2Mo2Ti
|
lCrl8Ni2Mo2Ti
|
PTFE
|
磷酸类、
|
200
|
|
Stellite12
|
碱类、混酸
|
|
ZG00Crl7Nil4M02
|
CF3M
|
Stel1ite6
|
316L
|
PTFE
|
磷酸类、
|
200
|
|
Stellite12
|
尿素、甲铵液
|
|
ZGlCr5MO
|
ZGlCr5MO
|
Stel1ite6
|
25Cr2Mo1VA
|
柔性石墨
|
水、油品、蒸汽
|
550
|
|
Stellite12
|
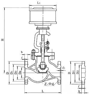
气动截止阀 主要外形尺寸、连接尺寸及质量
|
公称压力
|
公称通径
|
标准值
|
参考值
|
|
PN(MPa)
|
DN(mm)
|
L
|
D
|
D1
|
n2
|
D6
|
b
|
f
|
f1
|
Z-φd
|
L1
|
H
|
|
1.6
|
50
|
230
|
160
|
125
|
100
|
|
16
|
3
|
|
4-φ18
|
185
|
645
|
|
65
|
290
|
180
|
145
|
120
|
|
18
|
3
|
|
4-φ18
|
232
|
690
|
|
80
|
310
|
195
|
160
|
135
|
|
20
|
3
|
|
8-φ18
|
232
|
715
|
|
100
|
350
|
215
|
180
|
155
|
|
20
|
3
|
|
8-φ18
|
232
|
770
|
|
125
|
400
|
254
|
210
|
185
|
|
22
|
3
|
|
8-φ18
|
283
|
780
|
|
150
|
480
|
280
|
240
|
210
|
|
24
|
3
|
|
8-φ23
|
283
|
810
|
|
200
|
600
|
335
|
295
|
265
|
|
26
|
3
|
|
12-φ23
|
283
|
967
|
|
250
|
622
|
405
|
355
|
320
|
|
30
|
3
|
|
12-φ25
|
283
|
1143
|
|
300
|
698
|
460
|
410
|
375
|
|
30
|
4
|
|
12-φ25
|
283
|
1292
|
|
2.5
|
50
|
230
|
160
|
125
|
100
|
|
20
|
3
|
|
4-φ18
|
185
|
645
|
|
65
|
290
|
180
|
145
|
120
|
|
22
|
3
|
|
8-φ18
|
232
|
690
|
|
80
|
310
|
195
|
160
|
135
|
|
22
|
3
|
|
8-φ18
|
232
|
715
|
|
100
|
350
|
230
|
190
|
160
|
|
24
|
3
|
|
8-φ23
|
232
|
770
|
|
125
|
400
|
270
|
220
|
188
|
|
28
|
3
|
|
8-φ25
|
283
|
780
|
|
150
|
480
|
300
|
250
|
218
|
|
30
|
3
|
|
8-φ25
|
283
|
810
|
|
200
|
600
|
360
|
310
|
278
|
|
34
|
3
|
|
12-φ25
|
283
|
967
|
|
250
|
622
|
425
|
370
|
332
|
|
36
|
3
|
|
12-φ30
|
283
|
1143
|
|
300
|
698
|
485
|
430
|
390
|
|
40
|
4
|
|
16-φ30
|
283
|
1292
|
|
4
|
50
|
230
|
160
|
125
|
100
|
88
|
20
|
3
|
4
|
4-φ18
|
185
|
645
|
|
65
|
290
|
180
|
145
|
120
|
110
|
22
|
3
|
4
|
8-φ18
|
232
|
690
|
|
80
|
310
|
195
|
160
|
135
|
121
|
22
|
3
|
4
|
8-φ18
|
232
|
715
|
|
100
|
350
|
230
|
190
|
160
|
150
|
24
|
3
|
4.5
|
8-φ23
|
232
|
770
|
|
125
|
400
|
270
|
220
|
188
|
176
|
28
|
3
|
4.5
|
8-φ25
|
283
|
782
|
|
150
|
480
|
300
|
250
|
218
|
204
|
30
|
3
|
4.5
|
8-φ25
|
283
|
875
|
|
200
|
600
|
375
|
320
|
282
|
260
|
38
|
3
|
4.5
|
12-φ30
|
283
|
1160
|