产品介绍
H41法兰升降式止回阀是一种阀瓣沿着阀体垂直中心线滑动的止回阀,升降式止回阀只能安装在水平管道上,高压小口径的止回阀阀瓣可采用圆球形,升降式止回阀的阀体形状与截止阀一样(可与截止阀通用),因此它的流体阻力系数较大,但密封性较旋启式好。
产品特点
1、阀瓣沿着阀体垂直中心线滑动
2、适用于水平安装
3、密封性较旋启式好
4、可按需要加装弹簧
执行标准
设计规范:GB/T 12233
结构长度:GB/T 12221
连接法兰:JB/T 79,HG20592,GB9113,ANSI
试验与检验:GB/T13927
压力-温度:GB/T 9131
产品标识:GB/T 12220
产品型号
| 材质 |
型号 |
| WCB |
H41H-16C,H41H-25,H41H-40,H41H-64,H41H-100 |
| 304 |
H41W-16P,H41W-25P,H41W-40P,H41W-64P,H41W-100P |
| 316 |
H41W-16R,H41W-25R,H41W-40R,H41W-64R,H41W-100R |
产品性能规范
| H41法兰升降式止回阀性能规范 |
| 型号 |
H41H-16C~100 |
H41W-16P~100P |
H41W-16R~100R |
| 工作压力(MPa) |
1.6~10.0 |
| 适用温度(℃) |
≤425 |
≤150 |
| 适用介质 |
水、蒸汽、油品 |
弱腐蚀性介质 |
| 材料 |
阀体、阀盖 |
WCB |
304 |
316 |
| 密封面 |
合金钢 |
304 |
316 |
| 垫片 |
钢带石墨参缠绕 |
聚四氟乙烯 |
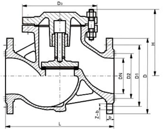
主要外形连接尺寸
| H41法兰升降式止回阀外形尺寸(mm) |
| 公称通径 |
主要外形尺寸和连接尺寸 |
| L |
D |
D1 |
D2 |
b |
Z-d |
H |
| PN1.6MPa,PN2.5MPa |
| 15 |
130 |
95 |
65 |
45 |
14 |
4月14日 |
77 |
| 20 |
150 |
105 |
75 |
55 |
14 |
4月14日 |
77 |
| 25 |
160 |
115 |
85 |
65 |
14 |
4月14日 |
80 |
| 32 |
180 |
135 |
100 |
75 |
16 |
4月18日 |
85 |
| 40 |
200 |
145 |
110 |
85 |
16 |
4月18日 |
95 |
| 50 |
230 |
160 |
125 |
100 |
16 |
4月18日 |
105 |
| 65 |
290 |
180 |
145 |
120 |
18 |
4月18日 |
120 |
| 80 |
310 |
195 |
160 |
135 |
20 |
8月18日 |
130 |
| 100 |
350 |
215 |
180 |
155 |
20 |
8月18日 |
140 |
| 125 |
400 |
245 |
210 |
185 |
22 |
8月18日 |
155 |
| 150 |
480 |
280 |
240 |
210 |
24 |
8月23日 |
180 |
| 200 |
600 |
335 |
295 |
265 |
26 |
12月23日 |
215 |
| 250 |
730 |
405 |
355 |
320 |
30 |
12月25日 |
260 |
| 300 |
850 |
460 |
410 |
375 |
34 |
12月25日 |
315 |
结构图片