产品简介:
电动通风蝶阀产品广泛应用于各种通风除尘管路双向启闭及燃气调节设备,适用于冶金、矿山、水泥、化工、发电、工业炉等行业的燃气调节、通风除尘及环境保护系统之中。
产品特性Product characteristics
①阀体、阀板均用钢板焊接加工而成,重量轻、结构简单、安装方便
②蝶板与阀体间的膨胀间隙大,能有效防止因热涨冷缩造成的卡死现象。
③内无连杆、螺栓等、工作可靠、有效延长了使用寿命长。
驱动力矩小,启闭灵活无摩擦,操作方便,阀门使用寿命长
可以多工位安装,不受介质流向影响。
采用中线式碟板与短结构钢板焊接的新型结构形式设计制造的,避免高温膨胀的影响,操作轻便。
适用于通风系统、空调系统、高温烟气中的开关切断和流量调节作用。
适用于低压状态的空气或其它气体的流量、压力控制,此外也适用于高温状态的气体及蚀性介质等。
|
公称通径
|
DN50~DN2000
|
|
工作电源
|
AC220V,AC380V, DC24V
|
|
介质温度
|
0-600℃(备选)
|
|
公称压力
|
0.1~0.6MPa
|
|
试验压力
|
密封0.15Mpa;壳体0.11Mpa
|
|
适用介质
|
含尘烟气、空气、煤气
|
|
输入信号
|
4-20mA/0-5V~10V(备选)
|
|
输出信号
|
4-20mA/0-5V~10V(备选)
|
|
连接方式
|
法兰式
|
|
流量特性
|
线性/等百分比特性
|
|
控制方式
|
调节或开关式控制
|
|
密封形式
|
开放式、后座式(超高温适用)、密封式(常温适用)
|
|
试验压力
|
壳体实验
|
0.15MPa
|
|
密封试验
|
0.11MPa
|
|
阀体材质
|
A3钢、耐热钢 SUS304不锈钢、SUS316不锈钢
|
|
阀板材质
|
A3钢、耐热钢 SUS304不锈钢、SUS316不锈钢
|
|
填料材质
|
衬四氟、石墨
|
|
防护等级
|
IP67
|
|
制造标准
|
JB/T8692-199
|
|
产品设计与制造
|
GB/T122381989、API609标准
|
|
产品检查与实验
|
GB/T139271992、API598标准
|
|
侧法兰连接
|
GB9115.88、GB9113.3~5-88、ASME B16.5CL.150,CL.300及ASME B16.47CL.150标准。
|
产品参数Product parameters
产品参数Product parameters
产品资料Product information
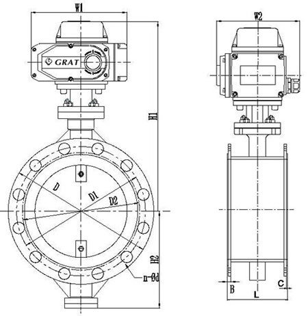
1.电动通风蝶阀安装尺寸图表
2.电动通风蝶阀安装尺寸
|
规格
|
D
|
D1
|
L
|
B
|
C
|
n-Φd
|
H1
|
H2
|
W1
|
W2
|
|
mm/0.6
|
|
MPa
|
|
50
|
140
|
110
|
108
|
14
|
3
|
4-Φ14
|
200
|
70
|
196
|
145
|
|
65
|
160
|
130
|
112
|
14
|
3
|
4-Φ14
|
210
|
80
|
196
|
145
|
|
80
|
190
|
150
|
114
|
14
|
3
|
4-Φ18
|
220
|
95
|
196
|
145
|
|
100
|
205
|
170
|
127
|
14
|
3
|
4-Φ18
|
240
|
105
|
196
|
145
|
|
125
|
235
|
200
|
140
|
14
|
3
|
8-Φ18
|
260
|
120
|
196
|
145
|
|
150
|
260
|
225
|
140
|
16
|
3
|
8-Φ18
|
280
|
132
|
196
|
145
|
|
200
|
315
|
280
|
152
|
18
|
3
|
8-Φ18
|
320
|
160
|
196
|
145
|
|
250
|
370
|
335
|
165
|
22
|
3
|
12-Φ18
|
350
|
187
|
196
|
145
|
|
300
|
435
|
395
|
178
|
22
|
4
|
12-Φ22
|
370
|
220
|
196
|
145
|
|
350
|
485
|
445
|
190
|
22
|
4
|
12-Φ22
|
390
|
245
|
196
|
145
|
|
400
|
535
|
495
|
216
|
22
|
4
|
16-Φ22
|
420
|
270
|
196
|
145
|
|
450
|
590
|
550
|
222
|
24
|
4
|
16-Φ22
|
450
|
297
|
196
|
145
|
|
500
|
640
|
600
|
229
|
24
|
4
|
20-Φ22
|
460
|
322
|
196
|
145
|
|
600
|
755
|
705
|
267
|
24
|
5
|
20-Φ28
|
520
|
377
|
196
|
145
|
|
700
|
860
|
810
|
292
|
28
|
5
|
24-Φ26
|
600
|
430
|
255
|
184
|
|
800
|
975
|
920
|
318
|
28
|
5
|
24-Φ30
|
650
|
487
|
255
|
184
|
|
900
|
1075
|
1020
|
330
|
28
|
5
|
24-Φ30
|
700
|
537
|
255
|
184
|
|
1000
|
1175
|
1120
|
410
|
28
|
5
|
28-Φ30
|
750
|
587
|
255
|
184
|
|
1200
|
1405
|
1340
|
470
|
28
|
5
|
32-Φ33
|
860
|
702
|
255
|
184
|
|
1300
|
1475
|
1420
|
510
|
32
|
5
|
36-Φ30
|
920
|
4760
|
255
|
184
|
|
1400
|
1630
|
1560
|
530
|
32
|
5
|
36-Φ30
|
940
|
782
|
255
|
184
|
|
1500
|
1690
|
1630
|
580
|
32
|
5
|
40-Φ36
|
1080
|
860
|
255
|
184
|
|
1600
|
1830
|
1760
|
600
|
32
|
5
|
40-Φ36
|
1100
|
895
|
255
|
184
|
|
1800
|
2045
|
1970
|
670
|
34
|
5
|
44-Φ39
|
1160
|
995
|
255
|
184
|
|
2000
|
2265
|
2180
|
760
|
34
|
5
|
48-Φ42
|
1280
|
1095
|
255
|
184
|
3.电动通风蝶阀性能规范
|
公称通径DN
|
DN100-DN2000
|
|
公称压力PN
|
0.1 MPa
|
|
试验压力
|
壳体实验
|
0.15MPa
|
|
密封试验
|
0.11MPa
|
|
工作温度℃
|
<200℃,<450℃,特殊:<600℃
|
|
适用介质
|
含尘烟气、空气、煤气
|
4.电动通风蝶阀主要零部件材质
|
零件名称
|
材料
|
|
阀体
|
Q235-B、20、20g、304等
|
|
阀板
|
|
转轴
|
45、40Cr、304等
|
|
填料
|
YS250F等
|
|
手柄
|
KTH33008
|