电动蝶阀中线型结构,由阀体、内衬里层(聚四氟乙烯或橡胶)和(不锈钢阀板或球墨铸铁镀镍)、阀轴组成,其介质流线型的结构设计近似于直线,调节性能好,密封结构为居中心线型密封,密封性能可靠达到双向密封零泄漏,可以任意位置安装。广泛适用于气体、液体、混浊液体、浓浆液或灰粉、悬浮颗粒类等介质
产品特点
电动蝶阀操作力矩小,是所有阀类中操作力矩小的一种,是自动化控制系统中仪表的执行单元,以AC220V、AC380V或DC24V电源电压作动力,接受来自(DCS、PLC)系统或调节仪表、操作器等输入的(4-20mA、0-10mA或1-5VDC)电流信号或电压信号,即可控制运转。以角行程输出的扭矩转动阀轴0~90º,就能完成启闭动作或调节动作。全电子式电动执行机构,采用机电一体化结构,具有机内伺服操作和开度信号位置反馈、位置指示、手动操作等功能,功能强、性能可靠、连线简单、控制精确、体积小、重量轻、流阻小、流量系数大,结构简单、密封性能好。调节范围大,通过输入电流信号或电压信号,将此转变成与输入信号相对应的位移,改变阀板的旋转角度(0-90º任意角度),因此一定的输入信号对应一定的转角,实现比例动作,故有较好的调节控制流量等参数。
产品结构
执行机构主要性能技术参数
|
型 号
|
输出力矩N.m
|
动作时间S/90º
|
功率
|
|
(W)
|
|
HL-5
|
50
|
10月30日
|
10W/F
|
|
HL-10
|
100
|
15/30
|
23W/F
|
|
HL-20
|
200
|
10/15/30
|
40W/F
|
|
HL-40
|
400
|
10/15/30
|
80W/F
|
|
HL-50
|
500
|
10/15/30
|
90W/F
|
|
HL-100
|
1000
|
50
|
100W/F
|
|
HL-200
|
2000
|
100
|
100W/F
|
|
(信号线用屏蔽线) 防护等级:IP65 带曲柄手动操作 电源:AC220V/AC380V/DC24V
|
|
型号
|
输出力矩N.m
|
动作时间S/90
|
功率(W)
|
|
381RSA-02
|
20
|
8.5
|
50
|
|
381RSA-05
|
50
|
17
|
|
381RSB-10
|
100
|
18
|
150
|
|
381RSB-20
|
200
|
36
|
|
381RSC-30
|
300
|
24
|
220
|
|
381RSC-50
|
500
|
42
|
|
381RSC-60
|
600
|
48
|
|
381RSD-100
|
1000
|
30
|
300
|
|
381RSD-150
|
1500
|
38
|
|
381RSD-200
|
2000
|
46
|
|
(信号线用屏蔽线) 防护等级:IP55 隔爆标志:ExdⅡBT4 带曲柄手动操作,隔爆(381RX)型性能同上 电源电压:AC220V
|
|
型号
|
输出力矩N.m
|
动作时间S/90
|
功率(W)
|
|
PSQ51
|
50
|
23
|
24.2
|
|
PSQ66
|
65
|
32
|
24.2
|
|
PSQ76
|
75
|
60
|
25.3
|
|
PSQ102
|
100
|
32
|
62.1
|
|
PSQ202
|
200
|
28
|
93
|
|
PSQ502
|
500
|
43
|
120
|
|
PSQ702
|
700
|
43
|
120
|
|
PSQ1202
|
1200
|
31/37
|
500
|
|
PSQ2002
|
2000
|
93/112
|
500
|
|
|
|
|
|
|
(信号线用屏蔽线)防护等级:IP65 带手轮操作 电源电压:AC220V
|
主要零件材料及适用温度
|
零件名称
|
材料
|
|
阀体
|
铸铁、碳钢(WCB)、不锈钢(304、316)
|
|
蝶板
|
球墨铸铁镀镍、不锈钢(304、316)
|
|
衬里材料
|
各种橡胶、聚四氟乙烯
|
|
阀杆
|
2Cr13、不锈钢(304、316)
|
|
填料
|
橡胶O型圈、四氟乙烯V型圈、柔性石墨
|
衬里材料选用和适用温度
|
材料品种
|
丁晴橡胶
|
乙丙橡胶
|
聚四氟乙烯
|
氟橡胶
|
天然橡胶
|
氯丁橡胶
|
|
英语简称
|
NBR
|
EPDM
|
PTFE
|
VITON
|
NR
|
CR
|
|
型号代号
|
XA或JA
|
XB或JB
|
F或XC、
|
XE或JE
|
X1
|
X或J
|
|
耐最高温度
|
93℃
|
150℃
|
232℃
|
204℃
|
85℃
|
82℃
|
|
耐最低温度
|
-40℃
|
-40℃
|
-268℃
|
-23℃
|
-20℃
|
-40℃
|
|
适用工作温度
|
-20~+82℃
|
-40~+125℃
|
-30~+150℃
|
-23~+150℃
|
-20~+85℃
|
0~+80℃
|
流量特性图表
主要技术参数和性能指标
|
公称通径D(mm)
|
40
|
50
|
65
|
80
|
100
|
125
|
150
|
200
|
250
|
300
|
350
|
400
|
450
|
500
|
600
|
700
|
|
公称压力PN(MPa)
|
0.6、1.0、1.6
|
|
流量特性
|
近似等百分比(参见典型曲线图)、直线特性、
|
|
阀板转角(度)
|
0°~至90°(可调)
|
|
允许泄漏量等级
|
软密封:零泄露 硬密封:≤额定Cv×0.001%
|
软密封:VI微气泡级,金属密封≤额定CV×0.065%
|
|
执行器型号
|
HL、3810R、PSQ HQ或QB型
|
|
作用形式
|
开关型、智能调节型、(隔爆型)
|
|
电源电压
|
AC220V 50Hz或AC380V 50Hz
|
|
调节型
|
输入信号
|
DC4~20mA DC0~10mA 1-5V DC
|
|
输出信号
|
DC4~20mA DC0~10mA 1-5V DC
|
|
基本误差
|
≤±2.5%
|
|
回 差
|
≤±2.5%
|
|
死 区
|
≤1%
|
|
可调节比
|
250:01:00
|
|
开关型
|
电源电压
|
AC220V/AC380V/AC110V/DC24V
|
|
反馈信号
|
有源触点信号、无源触信号
|
应用规范
|
设计制造标准
|
法兰尺寸标准
|
结构长度标准
|
检验试验标准
|
|
GB/ T12 238 -89
|
JB/T79 -94 HG2 0592
|
GB122 21-89
|
GB/ T13927- 89 JB/ T9092- 99
|
|
MSS-SP-68
|
ANSI B16.5
|
ISO 5752 -13
|
ZJB1 6006 -90
|
|
JIS B2024
|
JIS B2212 ~ 2215
|
JIS B2002
|
JIS B2003
|
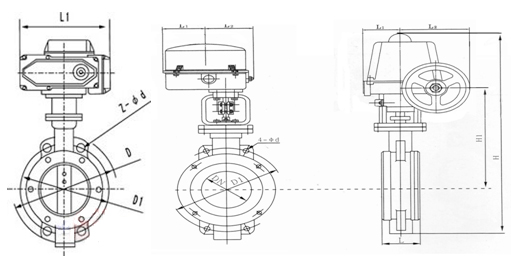
主要连接连接尺寸表
|
公称通径(DN)
|
L
|
D1
|
D
|
z-φd
|
H1
|
|
50
|
43
|
125
|
165
|
4月23日
|
63
|
|
65
|
46
|
145
|
185
|
4-26.5
|
70
|
|
80
|
46
|
160
|
200
|
8月18日
|
83
|
|
100
|
52
|
180
|
220
|
4-24.5
|
105
|
|
125
|
56
|
210
|
250
|
4月23日
|
115
|
|
150
|
56
|
240
|
285
|
4月25日
|
137
|
|
200
|
60
|
295
|
340
|
4-25/23
|
164
|
|
250
|
68
|
350/355
|
395
|
4月29日
|
206
|
|
300
|
78
|
400/410
|
445
|
4月29日
|
230
|
|
350
|
78
|
460/470
|
505
|
4月30日
|
248
|
|
400
|
102
|
515/525
|
565
|
16-26/30
|
289
|
|
450
|
114
|
565/585
|
615
|
4-26/30
|
320
|
|
500
|
127
|
620/650
|
670
|
4-26/33
|
343
|
|
600
|
154
|
725/770
|
780
|
4-30/36
|
413
|
|
700
|
165
|
840
|
895
|
4月30日
|
478
|